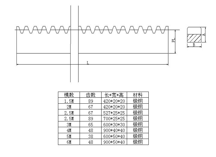
齒條也分直齒齒條和斜齒齒條,分別與直齒圓柱齒輪和斜齒圓柱齒輪配對使用; 齒條的齒廓為直線而非漸開線(對齒面而言則為平面),相當于分度圓半徑為無窮大圓柱齒輪。根據客戶需要,提供齒條的調質、齒面淬火、發藍(煮黑)等加工服務。本產品廣泛應用于眾多機械設備上。
齒條主要特點:
1、由于齒條齒廓為直線,齒廓上各點具有相同的壓力角,且等于齒廓的傾斜角,此角稱為齒形角標準值為20°。
2、與齒頂線平行的任一條直線上具有相同的齒距和模數。
3、與齒頂線平行且齒厚等于齒槽寬的直線稱為分度線(中線),它是計算齒條尺寸的基準線。
