電話:021-63731858
傳真:021-36537933
Email:1055372421@qq.com
地址:
金山區廊下工業園B區
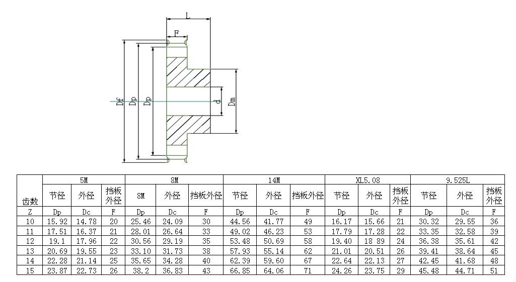
同步帶輪示意圖及尺寸對照表 諾廣廠家提供
作者: 發布于:2017-03-11 11:48:17 點擊量:
上海諾廣生產的同步帶輪一般由鋼,鋁合金,鑄鐵,黃銅等材料制造。內孔有圓孔,錐形孔等形式。表面處理有本色氧化,發黑,高頻淬火等處理。精度等級依客戶要求而定。同步帶輪傳動效率高、節能效果明顯、維護方便不需潤滑油成本低。諾廣可提供單件或批發。咨詢電話:18939766978




上一篇:鏈輪--示意圖、詳細尺寸參考圖上海諾廣
下一篇:傘齒輪(齒輪比1:1)諾廣加工傘齒輪歡迎咨詢